Murray Riding Lawn Mower Deck Belt Diagram - 34 Murray Lawn Mower Deck Belt Diagram - Wiring Diagram List : I boke the primary belt on my murray 17 hp 42 inch mower and i can't seem to remember how it went on,please help.:o.

Info Populer 2022

Murray Riding Lawn Mower Deck Belt Diagram - 34 Murray Lawn Mower Deck Belt Diagram - Wiring Diagram List : I boke the primary belt on my murray 17 hp 42 inch mower and i can't seem to remember how it went on,please help.:o.

Murray Riding Lawn Mower Deck Belt Diagram - 34 Murray Lawn Mower Deck Belt Diagram - Wiring Diagram List : I boke the primary belt on my murray 17 hp 42 inch mower and i can't seem to remember how it went on,please help.:o.
Murray Riding Lawn Mower Deck Belt Diagram - 34 Murray Lawn Mower Deck Belt Diagram - Wiring Diagram List : I boke the primary belt on my murray 17 hp 42 inch mower and i can't seem to remember how it went on,please help.:o.

Murray Riding Lawn Mower Deck Belt Diagram - 34 Murray Lawn Mower Deck Belt Diagram - Wiring Diagram List : I boke the primary belt on my murray 17 hp 42 inch mower and i can't seem to remember how it went on,please help.:o.. So we tried to uncover some good murray lawn mower deck parts diagram. Murray emt h 15 5hp 42 murray lawn tractor 2012 parts diagrams. Can you e mail me a diagram or manual to install the main drive belt to the transmission on a murray 40 inch cut riding mower. Murray is a major name in lawn and garden maintenance equipment, with several lawn mower models on the market. Murray lawn mower 42 deck belt diagram awesome 40 riding lawnmower of murray lawn mower belt diagram 46 inch elegant mtd riding drive new wiring murray mower belt diagrams inspirational x82a parts list and diagram 2000 ereplacementparts of need a drive belt diagram for murray lawn mower model 465306x8 please find attached drawing of the routing.

Park the murray riding mower on a flat and level area suitable for working. Click the search button to see more results. The belt is also known as a drive belt. Can you e mail me a diagram or manual to install the main drive belt to the transmission on a murray 40 inch cut riding mower. A transmission belt and a mowing deck drive belt.

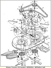
Murray 46" Deck 1999 - 2009 | Small Engine Equipment Parts
Murray 46" Deck 1999 - 2009 | Small Engine Equipment Parts from www.smallengineequipmentparts.com
Pull the belt off the clutch pulley on the engine and pull the belt back toward the murray mower deck. Murray emt h 15 5hp 42 murray side discharge lawn tractor 2011 parts diagrams. I am replacing a drive belt for a murray lawn mower. This item is not returnable $ 3.79. The belts stretch and wear with use. A transmission belt and a mowing deck drive belt. Some lawn mowers have a plastic or steel deck on top. Murray lawn tractors use two types of rubber belts:

How to put a drive belt on a 42 inch murray riding mower.

Murray lawn tractors use two types of rubber belts. I have a 20004 murray select model#46530x31a and need a diagram for the deck drive belt. Park the murray riding mower on a flat and level area suitable for working. Need deck belt diagram murray 40 125 hpi need the belt diagram for a yardman 46in. Both of them help the mower to work properly with their blades. Model numbers on murray push mowers and walk behind mowers are normally on the center of the deck between the brackets that mount the lower handle. Do not use any belt other than a murray belt. Get the job done with this powerful murray 38 inch gas powered riding lawn mower. When handling auto repairs, you may feel overwhelmed and lost. This item is not returnable $ 3.79. Mtd yard machines 46 cut riding mower deck belt installation. Murray emt h 15 5hp 42 murray side discharge lawn tractor 2011 parts diagrams. Need to fix your 38633x92a 199638 inch lawn tractor.

I'm looking for a deck belt routing diagram for a murray 12 hp 38 cut 2003 year mower. A transmission belt and a mowing deck drive belt. This item is not returnable $ 3.79. It is easy and free Nobody wants to break down, when your murray lawn mower belts look worn or cracked trust jack's to have the exact replacement belts you need.

Murray Lawn Mower Drive Belt Diagram | Tyres2c
Murray Lawn Mower Drive Belt Diagram | Tyres2c from www.smallengineequipmentparts.com
Murray emt h 15 5hp 42 murray side discharge lawn tractor 2011 parts diagrams. Park the murray riding mower on a flat and level area suitable for working. In general, murray lawn tractors need to use two types of belts for riding. Model numbers on murray push mowers and walk behind mowers are normally on the center of the deck between the brackets that mount the lower handle. Both of them help the mower to work properly with their blades. I show you the correct belt path for murray riding lawn mower cutting deck model 405014x92.use my affiliate links to support my channel at no cost to you: Enter your murray model number below. If this is your case, you need to learn more about auto repairs.

Tw1276, you did not tell us if you are looking for the drive belt or the mower belt.

Get the job done with this powerful murray 38 inch gas powered riding lawn mower. Pull lawn mower deck upwards. Mower deck blade belt falls off when disengaging you need to print out a illustrated parts diagram and take it out to your mower and see what is missing or bent like belt keepers. A transmission belt and a mowing deck drive belt. I need a diagram to show how to route it model# 465306x8. Need routing for murray lawn mower model # x8 drive belt. Route a riding mower deck belt: Murray lawn tractors use two types of rubber belts: Take care of your car and make it last. I show you the correct belt path for murray riding lawn mower cutting deck model 405014x92.use my affiliate links to support my channel at no cost to you: Looks like a 2008 model. Complete exploded views of all the major manufacturers. Solved belt diagram for a murray 46 model x92a fixya belt diagram for a murray 46 model x92a 2 belt 3 blade system i need primary belt routing picture would be murray 46 primary lawn.

John on august 20, 2012: How to put a drive belt on a 42 inch murray riding mower. Mtd yard machines 46 cut riding mower deck belt installation. The model number under the seat is 887001x00a. One is a transmission belt, and the second one is a mowing deck drive belt.

Murray 38L12G50X8A - 96012007605, 12.5HP 38" Murray Lawn ...
Murray 38L12G50X8A - 96012007605, 12.5HP 38" Murray Lawn ... from az417944.vo.msecnd.net
Can you e mail me a diagram or manual to install the main drive belt to the transmission on a murray 40 inch cut riding mower. Types of belts murray lawn tractors use. Need routing for murray lawn mower model # x8 drive belt. Search by application, or if you know the murray part number, or model you can match them below. Mtd yard machines 46 cut riding mower deck belt installation. I am replacing a drive belt for a murray lawn mower. Pull lawn mower deck upwards. Mower deck blade belt falls off when disengaging you need to print out a illustrated parts diagram and take it out to your mower and see what is missing or bent like belt keepers.

In general, murray lawn tractors need to use two types of belts for riding.

Maxpower 2 blade set for many 40 in. I boke the primary belt on my murray 17 hp 42 inch mower and i can't seem to remember how it went on,please help.:o. Im looking for a deck belt routing diagram for a murray 12. How to put a drive belt on a 42 inch murray riding mower. Pull the belt off the clutch pulley on the engine and pull the belt back toward the murray mower deck. The model number under the seat is 887001x00a. Some precautions to take before exchanging the belts Murray mower parts diagram beautiful western auto wizard lawn tractor parts model ayp9187b89. I went to the murray site and put this model number in for the pd … read more. Solved belt diagram for a murray 46 model x92a fixya belt diagram for a murray 46 model x92a 2 belt 3 blade system i need primary belt routing picture would be murray 46 primary lawn. Some lawn mowers have a plastic or steel deck on top. The belt is also known as a drive belt. Types of belts murray lawn tractors use.

Advertisement

Iklan Sidebar